Introduzione al controllo dei motori c.c. brushless
Contributo di Electronic Products
2013-03-27
L'uso dei motori c.c. brushless (o BLDC) è sempre più diffuso in settori quali automotive (in particolare nei veicoli elettrici), HVAC, elettrodomestici e applicazioni industriali; la ragione principale è che questi motori abbandonano il commutatore meccanico utilizzato nei motori tradizionali per sostituirlo con un dispositivo elettronico che migliora l'affidabilità e la durata dell'apparecchio.
Un altro vantaggio dei motori BLDC è che, a parità di potenza di uscita, possono essere più compatti e leggeri rispetto a quelli a spazzole e sono pertanto più adatti per le applicazioni con vincoli di spazio.
Il rovescio della medaglia è che i motori BLDC hanno bisogno di una centralina elettronica per funzionare. Ad esempio, per eccitare le bobine dello statore al momento giusto è necessario disporre di un microcontroller che utilizzi l'input della posizione del rotore fornito dai sensori. La precisa temporizzazione permette il controllo accurato della velocità e della coppia e garantisce al contempo il massimo rendimento del motore.
Questo articolo spiega le nozioni fondamentali del funzionamento dei motori BLDC e descrive il tipico circuito di controllo per il funzionamento di un apparecchio trifase. L'articolo esamina inoltre alcuni dei moduli integrati attualmente disponibili che semplificano la progettazione del circuito, specificamente progettati per il controllo dei motori BLDC.
I vantaggi del funzionamento brushless
Le spazzole di un motore di tipo tradizionale trasmettono l'energia agli avvolgimenti del rotore che, quando eccitati, generano un campo magnetico fisso. L'attrito tra le spazzole fisse e un contatto metallico che ruota sul rotore provoca usura. Inoltre è possibile che si perda potenza a causa di un arco o di un contatto non ottimale tra la spazzola e il metallo.
Abbandonando l'uso delle spazzole, che vengono sostituite da un commutatore elettronico, il motore BLDC offre affidabilità ed efficienza maggiori poiché elimina questa fonte di usura e di perdita di potenza. Inoltre, i motori BLDC vantano diversi altri vantaggi rispetto ai motori c.c. a spazzole e ai motori a induzione, come ad esempio migliori caratteristiche velocità-coppia, risposta dinamica più veloce, funzionamento silenzioso e intervalli di velocità superiori1.
Inoltre, il rapporto della coppia erogata rispetto alle dimensioni del motore è superiore, rendendo questa soluzione adatta per applicazioni quali lavatrici e veicoli elettrici, in cui serve potenza elevata, ma compattezza e leggerezza sono fattori critici. (È tuttavia opportuno sottolineare che la coppia di spunto è superiore nei motori c.c. a spazzole).
Il motore BLDC viene definito anche “sincrono” in quanto il campo magnetico generato dallo statore e il rotore girano alla stessa frequenza. Un vantaggio di questa situazione è che nei motori BLDC non si verifica lo “slittamento” tipico dei motori a induzione.
Sono disponibili motori a una, due e tre fasi; quest'ultimo è il più comune, nonché la versione che esamineremo in questa sede.
Lo statore di un motore BLDC è costituito da lamierini d'acciaio, fessurati assialmente per accogliere un numero pari di avvolgimenti lungo il perimetro interno (Figura 1). Lo statore del motore BLDC assomiglia a quello di un motore a induzione, ma gli avvolgimenti sono distribuiti diversamente.

Il rotore è costituito da magneti permanenti con un numero di coppie di poli N-S che va da due a otto. Aumentando le coppie di magneti, aumenta la coppia e si riduce il cosiddetto “ripple di coppia”, uniformando l'erogazione di potenza del motore, al prezzo però di una maggiore complessità del sistema di controllo, di un costo superiore e di una velocità massima inferiore.
In passato tradizionalmente si utilizzavano magneti in ferrite per realizzare i magneti permanenti; negli apparecchi moderni, invece, si tende a utilizzare magneti in terre rare. Sebbene più costosi, questi magneti generano una densità di flusso superiore, permettendo di realizzare rotori più piccoli a parità di coppia. L'uso di questi potenti magneti è la ragione principale per la quale i motori BLDC erogano una potenza superiore rispetto a motori c.c. a spazzole delle stesse dimensioni.
Informazioni dettagliate sulla costruzione e sul funzionamento dei motori BLDC sono disponibili in un'interessante nota applicativa (AN885) di Microchip Technology2.
Nozioni fondamentali sul funzionamento
Il commutatore elettronico del motore BLDC eccita in sequenza le bobine dello statore generando un campo elettrico rotante che “trascina” con sé il rotore. N “rivoluzioni elettriche” equivalgono a una rivoluzione meccanica, dove N è il numero di coppie di magneti.
In un motore trifase, tre sensori a effetto Hall incorporati nello statore indicano al controller le posizioni relative di statore e rotore per far sì che possa eccitare gli avvolgimenti nella sequenza giusta e al momento giusto. I sensori Hall sono generalmente montati sull'estremità opposta a quella di pilotaggio (Figura 2).

Quando i poli magnetici del rotore passano davanti ai sensori Hall, viene generato un segnale alto (per un polo) o basso (per il polo opposto). Come analizzato nel dettaglio più avanti, combinando i segnali dei tre sensori è possibile determinare l'esatta sequenza di commutazione.
Tutti i motori elettrici generano un potenziale di tensione a causa del movimento degli avvolgimenti attraverso il campo magnetico associato. Questo potenziale prende il nome di forza elettromotrice (f.e.m.) e, in base alla legge di Lenz, genera una corrente negli avvolgimenti con un campo magnetico che contrasta la variazione originale nel flusso magnetico. In termini più semplici, questo significa che la f.e.m. tende a contrastare la rotazione del motore e pertanto viene definita “f.e.m. di ritorno” (o back-EMF). Per un dato motore di flusso magnetico e numero di avvolgimenti fisso, la grandezza della f.e.m. è proporzionale alla velocità angolare del rotore.
Ma la f.e.m. di ritorno, anche se aggiunge del “trascinamento” al motore, può essere sfruttata con vantaggio. Monitorando la f.e.m. di ritorno, un microcontroller può determinare le posizioni relative di statore e rotore senza la necessità di ricorrere ai sensori a effetto Hall. Questo semplifica la costruzione del motore, riducendone il costo ed eliminando le connessioni e i cablaggi aggiuntivi al motore che i sensori richiederebbero. Ciò garantisce una migliore affidabilità in presenza di sporcizia e umidità.
Tuttavia, un motore stazionario non genera una f.e.m. di ritorno, rendendo quindi impossibile per il microcontroller determinare la posizione dei componenti del motore all'avvio. La soluzione è avviare il motore in configurazione a circuito aperto fino a quando non venga generata f.e.m. sufficiente perché il microcontroller possa assumere la supervisione del motore. Questi motori BLDC cosiddetti “senza sensori” stanno acquistando sempre maggiore popolarità.
Controllo di un motore BLDC
Benché relativamente semplici dal punto di vista meccanico, i motori BLDC richiedono alimentatori stabilizzati e componenti elettronici di controllo sofisticati. Il progettista si trova ad affrontare la sfida di gestire un sistema di alimentazione ad alta potenza trifase che richiede un controllo preciso per funzionare in modo efficiente.
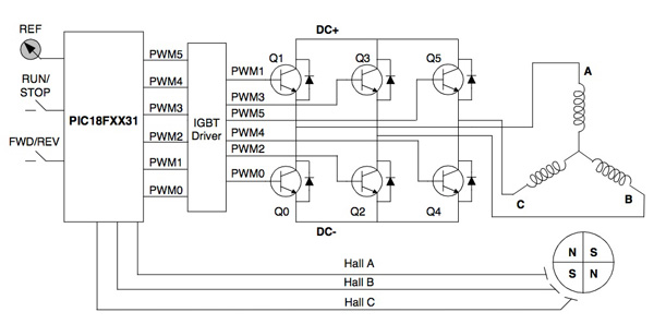
La Figura 3 mostra una tipica configurazione per il pilotaggio di un motore BLDC con sensori a effetto Hall (il controllo di un motore BLDC senza sensori mediante la misurazione della f.e.m. di ritorno sarà oggetto di un articolo futuro). Questo sistema mostra le tre bobine del motore disposte in una configurazione a “Y”, un microcontroller PIC18F2431 di Microchip, un driver IGBT (transistor bipolare a gate isolato) e un inverter trifase comprendente sei IGBT; per la commutazione ad alta potenza è possibile anche utilizzare transistor metallo-ossido-semiconduttore a effetto di campo (MOSFET). L'uscita dal microcontroller (speculare nel driver IGBT) comprende segnali a modulazione della larghezza di impulso (PWM) che determinano i valori medi di tensione e corrente alle bobine (e quindi coppia e velocità del motore). Il motore utilizza tre sensori a effetto Hall (A, B e C) per indicare la posizione del rotore. Il rotore stesso utilizza due coppie di magneti permanenti per generare il flusso magnetico.

Il sistema utilizza una sequenza di commutazione a sei stadi per ciascuna rivoluzione elettrica. Poiché il motore ha due coppie di magneti, servono due rivoluzioni elettriche per ottenere una rotazione del motore.
La Figura 4 mostra il flusso di corrente in una disposizione di bobine identica al motore nella Figura 3 (questa volta indicate con U, V e W) per ciascuno dei sei stadi, mentre la Figura 5 mostra le tensioni delle bobine e le uscite dei sensori a effetto Hall.


Una coppia di sensori a effetto Hall determina quando il microcontroller eccita una bobina. In questo esempio, i sensori H1 e H2 determinano la commutazione della bobina U. Quando H2 rileva un polo magnetico N, la bobina U viene eccitata positivamente; quando H1 rileva un polo magnetico N, la bobina U viene commutata su aperta; quando H2 rileva un polo magnetico S, la bobina U viene commutata su negativa e, infine, quando H1 rileva un polo magnetico S, la bobina viene commutata nuovamente su aperta. In modo analogo, i sensori H2 e H3 determinano l'eccitazione della bobina V, con H1 e H3 che si occupano della bobina W.
In ciascuno stadio, sono attive due fasi: una in cui viene fornita corrente al motore, l'altra in cui viene fornito un percorso di ritorno di corrente. L'altra fase è aperta. Il microcontroller controlla quale dei due interruttori dell'inverter trifase debba essere chiuso per eccitare positivamente o negativamente le due bobine attive. Ad esempio, commutando Q1 nella Figura 3 si eccita positivamente la bobina A, mentre commutando Q2 si eccita negativamente la bobina B per fornire il percorso di ritorno. La bobina C rimane aperta.
I progettisti possono effettuare vari test con i kit di sviluppo basati su microcontroller a bit 8 per provare i regimi di controllo prima di intraprendere la progettazione di un motore completo. Ad esempio, Atmel ha prodotto uno starter kit molto economico, ATAVRMC323, per il controllo di motori BLDC basato sul microcontroller a 8 bit ATxmega128A14. Diversi altri fornitori offrono kit simili.
Pilotaggio di un motore BLDC
Seppure rappresenti un buon inizio, un microcontroller a 8 bit associato ad un inverter non è sufficiente per realizzare un sistema completo per il controllo di un motore BLDC. Per completare il progetto, serve un alimentatore stabilizzato per pilotare l'IGBT o i MOSFET (nella Figura 3 è illustrato un driver IGBT). Fortunatamente non è un compito difficile, in quanto molti importanti fornitori di semiconduttori offrono chip per driver integrati appositamente progettati per questo.
Questi dispositivi generalmente comprendono un convertitore step-down (“buck”) (per alimentare il microcontroller e per altri requisiti di alimentazione del sistema), gate driver, una soluzione per la gestione dei guasti, logica di temporizzazione e controllo. Il pre-driver trifase DRV8301 di Texas Instruments è un buon esempio (Figura 6).

Questo pre-driver supporta corrente di picco di 2,3 A in source e 1,7 A in drain e richiede un unico alimentatore con tensione di ingresso di 8 ~ 60 V. Il dispositivo utilizza l'handshaking automatico quando gli IGBT o i MOSFET high-side o low-side commutano per prevenire la conduzione incrociata.
ON Semiconductor offre un chip simile, LB11696V. In questo caso è possibile implementare un circuito driver motore con la potenza di uscita desiderata (tensione e corrente) aggiungendo transistor discreti nei circuiti di uscita. Il chip fornisce inoltre un complemento completo dei circuiti di protezione, rendendolo adatto per applicazioni che richiedono alta affidabilità. Il dispositivo è progettato per motori BLDC di grandi dimensioni come quelli utilizzati nei condizionatori d'aria e negli scaldacqua istantanei.
In sintesi
I motori BLDC offrono molti vantaggi rispetto a quelli di tipo tradizionale. Eliminando le spazzole da un motore, si elimina un componente meccanico che può ridurre l'efficienza, usurarsi o guastarsi in modo catastrofico. Inoltre, lo sviluppo di potenti magneti in terre rare ha consentito la produzione di motori BLDC in grado di produrre la stessa potenza dei motori a spazzole ma con un ingombro inferiore.
Uno svantaggio percepito è che i motori BLDC, a differenza di quelli a spazzole, richiedono un sistema elettronico per la supervisione della sequenza di eccitazione delle bobine e per altre funzioni di controllo. Senza i componenti elettronici, i motori non sono in grado di funzionare.
Tuttavia, la proliferazione di dispositivi elettronici robusti e poco costosi progettati specificamente per il controllo dei motori ha reso la progettazione di circuiti relativamente semplice ed economica. È infatti possibile realizzare un motore per il funzionamento in una configurazione base senza neanche dover ricorrere a un microcontroller, utilizzando un modesto generatore trifase a onda sinusoidale o quadra. Fairchild Semiconductor, ad esempio, offre il chip FCM8201 per questa applicazione e ha pubblicato una nota applicativa per illustrare la configurazione5.
Analogamente, il controller per motore BLDC MC33033 di ON Semiconductor integra un decoder della posizione del rotore su chip, pertanto non è richiesta l'aggiunta di un microcontroller per completare il sistema. Il dispositivo può essere utilizzato per controllare un motore BLDC a tre o quattro fasi.
Tuttavia, l'utilizzo di un microcontroller a 8 bit (programmato con il codice fornito di fabbrica o il software dello sviluppatore), a fronte di un costo aggiuntivo irrisorio, offre all'utente un controllo di gran lunga superiore sul motore per garantirne il funzionamento alla massima efficienza, oltre ad offrire un'uscita di posizione, velocità o coppia più precisa.
Riferimenti:
- “Brushless DC Motor Primer”, Muhammad Mubeen, Luglio 2008.
- “Brushless DC (BLDC) Motor Fundamentals”, Padmaraja Yedamale, Microchip Technology - nota applicativa AN885, 2003.
- “Using the PIC18F2431 for Sensorless BLDC Motor Control”, Padmaraja Yedamale, Microchip Technology - nota applicativa AN970, 2005.
- “AVR1607: Brushless DC Motor (BLDC) Control in Sensor mode using ATxmega128A1 and ATAVRMC323”, Atmel - nota applicativa, 2010.
- “FCM8201 Three-Phase Sine-Wave BLDC Motor Controller”, Fairchild Semiconductor - nota applicativa AN-8201, 2011.
Esonero della responsabilità: le opinioni, le convinzioni e i punti di vista espressi dai vari autori e/o dai partecipanti al forum su questo sito Web non riflettono necessariamente le opinioni, le convinzioni e i punti di vista di DigiKey o le sue politiche.

