DC/DC Converter Modules Optimized for RF Power Amplifiers
Contributo di Electronic Products
2013-06-25
At first glance, linear regulators would seem to be the perfect solution for RF power amplifiers because they generate very little noise and there is no high frequency switching. Consequently, the question of generating RF interference does not arise. However, the downside is that efficiency is very low and these parts are expensive and large, making them unsuitable for cost-sensitive space-constrained mobile applications.
The alternative is high-performance switching DC/DC converters. Over the years, improvements in architecture, semiconductor power devices, passive components, magnetics, and packaging have enabled power supply makers such as Texas Instruments and Maxim Integrated Products, among others, to develop DC/DC converter modules that are specifically optimized for RF power amplifiers (PAs). Besides minimizing RF interference, these modules generate very low noise and can step-down input battery voltage (2.7 to 5.5 V) to a precise output voltage of 3.6 V or less with very high efficiency and power density. Recent advances have also made these power supply units cost effective.
DC power for RF amplifiers
Traditionally, the RF PA, which drives the antenna in the transmitter section via the T/R switch of the communications system, is connected directly to the battery of the mobile device. However, this approach wastes a significant amount of energy as the PA is supplied with maximum power at all times when in reality most of the time only a fraction of this is required to reliably ensure wireless voice and data connection (Figure 1).


For instance, when the mobile device is close to the carrier’s base station, the PA’s RF output power can be lower than the rated maximum. Full maximum output is desired only when the mobile devise is further away from the base station and the input RF signal is weak. Similarly, when the mobile device is idle, it does not need the same amount of DC current as in the active mode. To cut this unnecessary wastage of power, the DC operating voltage to the amplifier must adapt depending on the power required (Figure 2).
To address this problem, TI has developed switching DC/DC converters that can dynamically adjust output voltage based on the desired RF output power. Called supply for power amplifiers (SuPA), the line of converters ensures optimum RF output, thus minimizing energy wastage and maximizing battery life while simplifying thermal designs for smartphones, tablets, and machine-to-machine terminals.
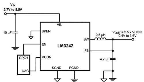
Two SuPA DC/DC converters optimized for powering RF PAs from a single lithium-ion cell are LM3242 and LM3243. Both are designed to step-down an input voltage from 2.7 to 5.5 V to a dynamically adjustable output voltage from 0.4 to 3.6 V, based on actual RF output power needed. While LM3242 supports up to 1 A load current and is compatible with 3G and 4G applications, LM3243 offers a unique active current assist and analog bypass mode (ACB) feature. This minimizes inductor size without any loss of output regulation for the entire battery voltage and RF output power range, until dropout. Supporting 2G, 3G, and 4G systems, LM3243 handles up to 2.5 A load current.
Output voltage for LM3242, for instance, is set by using the DC/DC converter’s VCON analog input pin for controlling power levels and efficiency of the RF PA without using any external feedback resistors. As shown in Figure 3, the output is calculated using the formula
VOUT = 2.5 x VCON,
when VCON is between 0.16 and 1.44 V.

The LM3242 offers five modes of operation, depending on the current required. These include pulse-width modulation (PWM), ECOnomy (ECO), Bypass (BP), Sleep, and Shutdown. In PWM mode, the device operates at a fixed frequency of 6 MHz typ at medium-to-heavy load range and minimizes RF interference. At light load, the device enters into ECO mode automatically and operates with reduced switching frequency. In ECO mode, the quiescent current is reduced to extend battery life. In low-battery condition, the Bypass mode reduces the voltage dropout to less than 50 mV typ. The part also features Sleep mode, which is triggered when the VCON input is less than 80 mV for 10 µs. Finally, in Shutdown mode the device is turned off to reduce battery consumption to 0.1 µA.
Housed in a 9-bump, lead-free micro SMD, LM3242’s high switching frequency (6 MHz) allows use of only three tiny surface-mount components – one inductor and two ceramic capacitors. The selection of external passive components, including layout, is explained in detail in the product datasheet (which can be found by using the link provided above to access the product page on the DigiKey website).
Two in one
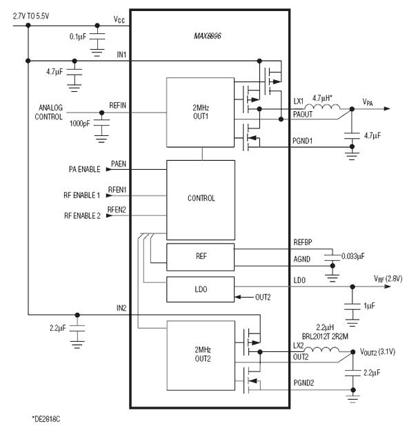
Similarly, for powering the PA and RF transceiver in WCDMA or 3G handsets, Maxim Integrated Products has optimized a dual step-down converter. Designated MAX8896, it integrates a high-efficiency PWM step-down converter for medium and low-power transmission, and a 140 mΩ typ bypass FET to power the PA directly from the battery during high-power transmission. A second high-efficiency PWM step-down converter (OUT2) supplies power directly to a high power supply rejection ratio (PSRR), low output noise, 200 mA low-dropout (LDO) regulator to power the RF transceiver in the handset.
Fast switching allows the use of small ceramic input and output capacitors while maintaining low ripple voltage. The feedback network is integrated to reduce external component count and total solution size. As shown in Figure 4, OUT1 uses an analog input driven by an external digital-to-analog converter (DAC) to control the output voltage linearly for continuous PA power adjustment. At high duty cycle, OUT1 automatically switches to bypass mode, connecting the input to the output through a low-impedance (140 mΩ) MOSFET.

OUT2 is a 2 MHz fixed-frequency step-down converter capable of operating at 100 percent duty cycle. Output accuracy is ±2 percent over load, line, and temperature. The output of OUT2 is preset to 3.1 V to provide power to a 200 mA 2.8 V LDO designed for the low-noise (16 µVrms), high-PSRR (65 dB) operation required for the RF transceiver section of the handset.
In summary, when powering RF PAs and other RF functions, designers should select DC/DC converters that are specifically optimized for these applications. Switching power supplies designed for digital functions such as processors and FPGAs, are not recommended for RF applications.
Esonero della responsabilità: le opinioni, le convinzioni e i punti di vista espressi dai vari autori e/o dai partecipanti al forum su questo sito Web non riflettono necessariamente le opinioni, le convinzioni e i punti di vista di DigiKey o le sue politiche.

