AVR2021: AT86RF231 Antenna Diversity
Zur Verfügung gestellt von Convergence Promotions LLC
2011-03-03
Antenna diversity is your best protection against multipath fading. Using it can considerably improve the reliability of real-world network implementations.
Antenna Diversity is a transmission method using more than one antenna to receive or transmit signals along different propagation paths to compensate for multipath interferences.
Due to multipath propagation interference effects between network nodes, the receive signal strength may strongly vary, even for small changes of the propagation conditions, affecting the link quality. These fading effects can result in an increased error floor or loss of the connection between devices.
Applying Antenna Diversity transmission techniques in such scenarios improves the reliability of an RF connection between network nodes.
This article describes the usage, design, and layout of the AT86RF231 Antenna Diversity, an implementation is shown in Figure 1. The information provided is intended as a helping hand for hardware designers to make use of the AT86RF231 Antenna Diversity capabilities.

Wireless communication channel models
In wireless communication systems different channel models are used to describe the behavior of the air interface. A simple model is additive white Gaussian noise (AWGN). This model assumes a linear addition of wideband noise to the wanted signal with a constant spectral density and a Gaussian distribution of the amplitude.
More realistic wireless channel models also consider the impact of multipath propagation. Since a transmitted signal is subject to reflections and refraction on walls, surfaces etc., the receiving node will see many signals, each differing in phase and amplitude. All signals superpose at the receiving antenna causing an effect called fading.
Using more than one antenna allows the evaluation of different multipath scenarios to avoid or reduce the effects of fading or interferences. Assuming that these antennas are independent of each other with respect to the signal propagation paths, the probability that all of them suffer from fading at the same time is significantly reduced.
AT86RF231 Antenna Diversity
The AT86RF231 Antenna Diversity (AD) feature supports the control of two antennas to select the most reliable RF signal path.
A differential control pin pair, pin 9 (DIG1) and pin 10 (DIG2), is used to control an external RF-switch selecting one of the two antennas. During synchronization header (SHR) search, the radio transceiver autonomously switches between the two antennas, without the need for microcontroller interaction, if the AD algorithm is enabled.
To ensure highly uncorrelated receive signals on each antenna, the antennas should be carefully separated from each other (refer to the section “Multipath Propogation Characteristics”).
If enabled, and when the AT86RF231 is set into a receive state, the automated AD algorithm works as follows: On detection of an SHR with a sufficient high signal level on one antenna, this antenna is locked for reception of PHR and PSDU. In this case, no further attempt is made to determine the signal level on the other antenna. Otherwise the SHR search is continued on the other antenna and vice versa.
After the completed reception of a frame, indicated by an interrupt IRQ_3 (TRX_END), the diversity search algorithm is continued until a new SHR header is detected or the receive state is left.
Application Schematic
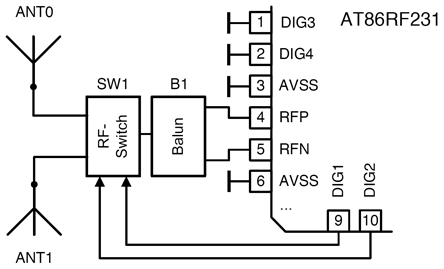
Figure 2 illustrates the AT86RF231 Application Schematic concentrating on Antenna Diversity.

Two antennas, ANT0 and ANT1, are connected via an RF-switch (SW1) to a balun (B1). A differential control pin pair (DIG1/DIG2) selects one of the two signal paths within SW1 to connect one antenna to the radio transceiver during receive or transmit. Balun (B1) transforms the single-ended port impedance of 50 Ω to the 100 Ω differential RF port impedance at pins RFP/RFN. [1]
Configuration
It is recommended to configure Antenna Diversity in one of the transceiver states TRX_OFF, PLL_ON or TX_ARET_ON. [1]
Generally, the automated Antenna Diversity is enabled with register bit ANT_DIV_EN (register 0x0D, ANT_DIV) set. In addition, the control of the Antenna Diversity RF-switch (SW1) must be enabled by register bit ANT_EXT_SW_EN (register 0x0D, ANT_DIV). In this case the internal pull-down of the control pins DIG1/DIG2 is disabled, and they feed the antenna switch signal and its inverse to the differential control inputs of SW1. The voltage level of DIG1/DIG2 is equal to DEVDD.
To actually receive a frame, applying the AD algorithm, the AT86RF231 state must be changed to RX_ON or RX_AACK_ON.
Receive diversity procedure
Exemplary, the function and behavior of the control signals DIG1/DIG2 during receive is shown in Figure 3.

Assuming a frame with a sufficient signal level is available at antenna ANT1 only, the AD algorithm selects this antenna while searching for the SHR (1). During the rest of the frame reception this configuration is fixed. The selected antenna can be determined by reading register bit ANT_SEL at the time when interrupt IRQ_2 (RX_START) is issued (2).
Immediately after the successful frame reception, indicated by an interrupt IRQ_3 (TRX_END), the AD algorithm starts searching again (3). This continues as long as the radio transceiver is in RX_ON or RX_AACK_ON state. Leaving one of the receive states stops the AD algorithm.
The register bit ANT_SEL maintains its previous value (from the last received frame) until a new frame has been detected, indicated by IRQ_2 (RX_START), see (4). That is at the earliest:

If the AT86RF231 is not in a receive state or a transmit state, it is recommended to disable register bit ANT_EXT_SW_EN to reduce the power consumption or avoid leakage current of an external RF-switch, especially during SLEEP state. If register bit ANT_EXT_SW_EN = 0, output pins DIG1/DIG2 are pulled-down.
Transmit diversity procedure
With the AT86RF231 Antenna Diversity feature, upon reception of a frame, the selected antenna is indicated by register bit ANT_SEL. This register bit maintains its value until a following frame has been detected (refer to the previous section).
In contrast to that, the antenna defined by register bits ANT_CTRL (register 0x0D, ANT_DIV) is used for transmission. If, for example, the same antenna should be used for transmission as being selected by the AT86RF231 for reception, the antenna must be set using register bits ANT_CTRL (register 0x0D, ANT_DIV), according to the value read from register bit ANT_SEL. At the earliest, IRQ_2 (RX_START), as an indication of successful PHR reception, can be used to set register bits ANT_CTRL, refer to Figure 4 (1). However, for RX_AACK it is recommended to enable IRQ_3 (TRX_END) only. [1] This interrupt is issued if a frame passes the frame filtering and has a valid FCS.
When reading register bit ANT_SEL, e.g. after IRQ_3 (2), the timing requirements of the succeeding operation have to be taken into account:
- Transmitting an acknowledgement frame requires setting of the transmit antenna after occurrence of IRQ_3 within a Turn-around Time: [3]
- Transmitting an acknowledgement frame in slotted operation mode requires setting of the transmit antenna after occurrence of IRQ_3:

In general, the AD algorithm and timings are identical for Basic and Extended Operating Modes. [1]
Dynamic and static antenna selection
Even without using the automated AD algorithm, one antenna can be selected permanently. This may be useful if the Antenna Diversity selection is performed using another control entity than the PHY.
To select one antenna permanently, the antenna has to be configured using register bits ANT_CTRL. This setting defines the antenna for a transmission as well as for reception. The AD algorithm shall be disabled (register bit ANT_DIV_EN = 0) and the control of RF-switch shall be enabled (register bit ANT_EXT_SW_EN = 1).
Antenna diversity sensitivity control
Due to a different receive algorithm used by the AD algorithm, the sensitivity of the receiver has to be adjusted. To achieve this it is recommended to set register bits PDT_THRES (register 0x0A, RX_CTRL) to 0x3.
If the AD algorithm control is disabled, and one antenna is permanently selected using register bits ANT_CTRL, the register bits PDT_THRES shall be reset.
Register Description
Register 0x0A (RX_CTRL):
The RX_CTRL controls the sensitivity of the Antenna Diversity Mode.

- Bit 7:4 — Reserved
- Bit 3:0 — PDT_THRES
| Register Bit | Value | Description |
| PDT_THRES | 0x7 | Reset value, to be used if AD algorithm is disabled |
| 0x3 | Recommended correlator threshold if AD algorithm is enabled | |
| Other | Reserved |
Table 1: Receiver sensitivity control.
Register 0x0D (ANT_DIV):
The ANT_DIV register configures and controls Antenna Diversity.
- Bit 7 — ANT_SEL
| Register Bit | Value | Description |
| ANT_SEL | 0 | Antenna 0 |
| 1 | Antenna 1 |
Table 2: Antenna Diversity — antenna selection.
- Bit 6:4 — Reserved
- Bit 3 — ANT_DIV_EN
- A new SHR search starts
- The receive state is left
- Disabling AD algorithm
— Selected antenna is defined by register bits ANT_CTRL - Bit 2 — ANT_EXT_SW_EN
| Register Bit | Value | Description |
| ANT_DIV_EN | 0 | Automated AD algorithm disabled |
| 1 | Automated AD algorithm enabled |
Table 3: Antenna Diversity algorithm control.
Note: If ANT_DIV_EN = 1 register bit ANT_EXT_SW_EN shall be set to 1, too.
If enabled, pin 9 (DIG1) and pin 10 (DIG2) become output pins and provide a differential control signal for an Antenna Diversity switch. The selection of a specific antenna is done either by the AD algorithm (ANT_DIV_EN = 1), or according to register bits ANT_CTRL if the AD algorithm is disabled.
Do not enable Antenna Diversity RF-switch control (ANT_EXT_SW_EN = 1) and RX Frame Time Stamping (IRQ_2_EXT_EN = 1) at the same time. [1]
As long as register bit ANT_EXT_SW_EN is set, the control pins DIG1/DIG2 are activated in all radio transceiver states. If the AT86RF231 is not in a receive or transmit state, it is recommended to disable register bit ANT_EXT_SW_EN to reduce the power consumption or avoid leakage current of an external RF-switch, especially during SLEEP state. If register bit ANT_EXT_SW_EN = 0, output pins DIG1 and DIG2 are pulled-down.
| Register Bit | Value | Description |
| ANT_EXT_SW_EN | 0 | Antenna Diversity RF-switch control disabled |
| 1 | Antenna Diversity RF-switch control enabled |
Table 4: Antenna Diversity RF-switch control.
Notes: 1. If ANT_DIV_EN = 1 register bit ANT_EXT_SW_EN shall be set to 1, too.
2. If ANT_EXT_SW_EN = 1 register bit IRQ_2_EXT_EN shall be set to 0.
- Bit 1:0 — ANT_CTRL
| Register Bit | Value | Description | |||
| ANT_CTRL | 0 | Reserved | |||
| 1 |
|
||||
| 2 |
|
||||
| 3 | Default value for ANT_EXT_SW_EN = 0. Mandatory setting for applications not using AD. | ||||
Table 5: Antenna Diversity — static antenna selection.
Note: The register values 1 and 2 are mandatory for ANT_DIV_EN=1 and ANT_EXT_SW_EN = 1.
AT86RF231 Antenna Diversity — Radio Extender Board
Overview
An AT86RF231 Radio Extender Board supporting Antenna Diversity (ADREB) is shown in Figure 1. The interface between the radio transceiver and the microcontroller is similar to the basic application schematic. [1]
Schematic
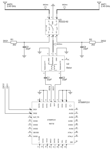
An excerpt of the AD-REB schematic with focus on the RF section is shown in Figure 5.

Layout

Diversity Antenna considerations and implementation details
The AT86RF231 AD-REB implementation makes use of both, space and polarization diversity. Polarization diversity is the ability to receive orthogonally polarized waves with independent propagation characteristics. Therefore the antennas are placed with a specific distance and angle. The distance can be derived, for instance, from the width of the deep fade regions as shown in Figure 9.

The placement onto the PCB FR4-substrate plane offers various possibilities in the configuration of the two antennas, as shown in Figure 7. The first and the second examples are using different polarization planes. Here the antennas are placed with an angle of 90 degrees to each other. The advantage of the second configuration is a higher symmetry, which makes antenna matching and board layout easier. The third antenna placement is a symmetric configuration, however, does not support polarization diversity.
Additional notes:
- The RC components placed between pins DIG9/10 and the RF switch filter possible transient switching noise of the AT86RF231 control pins, to avoid coupling into the antenna paths. The RC filter consists of R1-C3/R2-C4.
- RF-switch (SW1) is recommended to have low insertion loss (typ. < 1 dB) and high isolation (typ. > 20 dB). No DC path should exist in the antenna paths to make switching with single ended positive voltages possible, refer to the RF-switch datasheet.
- The antenna paths are grounded coplanar lines with a characteristic impedance of 50 ohms.
- The SW1 switching time to select one antenna should be below 1 μs.
| Designator | Value | Description |
| ANT0, ANT1 | 2.45 GHz | Ceramic antennas |
| C1, C2, C3, C4 | 22pF | Ceramic capacitor |
| R1, R2 U1 |
2k2 AT86RF231 |
Resistor 802.15.4 2.4 GHz Radio Transceiver, refer to [1] |
| U2 | WE748421245 | SMD-BALUN, Würth |
| U3 | AS222-92 | RF-Switch, Skyworks |
Measurement results
Measurement setup
Measurements are provided to demonstrate the performance improvement of a network node operating in a typical multipath indoor environment when using Antenna Diversity compared to a predefined antenna configuration.

Node 1 (RX), equipped with two antennas, see Figure 9, is stepwise moved along a fixed track. Node 1 stops at each measurement point. It receives a frame and evaluates its energy detection (ED) level. [1]
Node 2 (TX) is situated in a fixed position, permanently transmitting frames. The transmitter is equipped with only one 2.4 GHz λ/4 whip antenna and therefore does not use transmit Antenna Diversity.
The measurement setup has no direct line-of-sight between the two nodes. Therefore the propagation scenario is determined by multipath. Additionally, the scenario of the indoor environment must be kept static during the measurement process.
To investigate the multipath propagation characteristics, (see Figure 9) the transmit power is set such that the average receiving power is between -60 to -65 dBm.
During the PER measurements, the transmit power of node 2 is adjusted (see Figure 10) to reduce the average received signal power to a value slightly above the sensitivity limit of -101 dBm. [1] This is necessary to illustrate the effect of deep fades and to create a reasonable average packet error rate.
At each track position the packet error rate (PER) is measured, using 200 packets and a frame length of 50 octets.
Multipath Propagation Characteristics Exemplary, a measurement result of a 2.4 GHz multipath scenario in a laboratory environment is shown in Figure 9. One curve represents the received signal power at one single antenna. The received signal power is measured at each antenna separately using an ED measurement.

The received signal power at the two antennas varies up to more than 25 dB at certain measurement points, refer to positions 380 mm and 850 mm for instance, or up to 35 dB over the measurement distance. When assuming a larger distance between the two nodes or a more complicate multipath scenario the average received signal power is significant lower. Then one antenna may not receive a sufficient high signal power to correctly receive a frame. In this case the other antenna is selected to receive the frame.
Figure 9 further shows that a distance of about λ/2 between the two diversity antennas is required to effectively distinguish between different multipath channels. The AT86RF231 Antenna Diversity Radio Extender Board V-shape placement of the two antennas offers in addition linear antenna polarization. This improves the ability to separate between orthogonally polarized multipath channels.
Even if in this example node 1 changes its position, a similar behavior is observed if the environment changes and the two nodes are at a fixed position.
Network performance measurements
A measurement illustrating the node-to-node performance using the packet error rate (PER) is shown in Figure 10. The result consists of three individual measurements:
- Use ANT0 only (left antenna)
- Use ANT1 only (right antenna)
- AD algorithm enabled (auto decision)
- Both antennas behave different:
— One antenna with a good signal quality (PER → 0)
— The other does not receive (PER → 1) - Both antennas provide a good signal quality (PER → 0)
- Both antennas do not receive (PER → 1)

The measurement result in Figure 10 shows that for scenarios of type (1), when one antenna is receiving while the other one doesn’t, the resulting PER is still at an acceptable low level when using the AD algorithm.
If both antennas provide a sufficient high signal quality (scenario 2) the Antenna Diversity cannot improve the link quality further.
Only if both antennas do not receive anything, also Antenna Diversity can’t provide better results, scenario type (3).
Conclusion
In environments with distinctive multipath scenarios or varying propagation conditions the application of Antenna Diversity ensures a significant higher probability to access a network node. Thus connectivity between network nodes is improved.
Effects, that nodes are not accessible since they are in a deep fade, are prevented. This may happen even in well-established network installation, if for examples the environmental conditions changes.
The use of the AT86RF231 Antenna Diversity transmission technique considerably improves the reliability of real-world network implementations.
This is achieved without increasing the link budget of a network connection, e.g. by using a higher transmit power or and additional pre-amplification (LNA) during receive.
References
[1] AT86RF231; Low Power, 2.4 GHz Transceiver for ZigBee, IEEE 802.15.4, and ISM Applications; Datasheet; Rev. 8111A-AVR-04/08; Atmel Corporation.
[2] AT86RF231; Software Programming Model; Rev.1.1; Atmel Corporation.
[3] IEEE Std 802.15.4™: Wireless Medium Access Control (MAC) and Physical Layer
(PHY) Specifications for Low-Rate Wireless Personal Area Networks (LRWPANs).
Haftungsausschluss: Die Meinungen, Überzeugungen und Standpunkte der verschiedenen Autoren und/oder Forumsteilnehmer dieser Website spiegeln nicht notwendigerweise die Meinungen, Überzeugungen und Standpunkte der DigiKey oder offiziellen Politik der DigiKey wider.


