Designing Standards-Based Wireless Access Control for the Internet of Things
Zur Verfügung gestellt von Europäische Fachredakteure von DigiKey
2015-09-25
The Internet of Things is an exciting opportunity. Being able to link equipment up to wider networks so that data can be accessed regularly and easily provides many more options for the embedded system designer.
One of the key technologies for connecting up these devices – whether they are sensors, controllers or terminals – is of course wireless. While organizations such as ZigBee have had this application at the heart of their activity from the start, the Bluetooth Special Interest group has started adding in capabilities to support the Internet of Things alongside the existing designs for wearable computing, smartphone terminals and peripherals. The latest revisions of the Bluetooth Smart protocol add these capabilities via software to existing hardware, bringing significant economies of scale to the industrial arena.

Figure 1: Options for implementing a series of nodes on the Internet of Things.
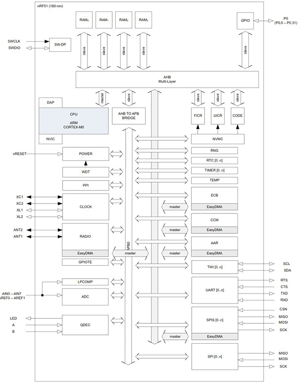
A key example of this is the nRF51822 from Nordic Semiconductor. This is a multi-protocol single chip for ultra-low-power (ULP) applications. It combines Nordic’s transceiver, an ARM Cortex-M0 32-bit core, 16 kbytes of RAM for the protocol stack and for other applications, and up to 256 Kbytes of flash memory storage with 40 kB to 180 kB available to the user.
It also includes an AES engine to handle the encryption of the data. As this data is running across the Internet, encrypting at the wireless node is even more important.
For industrial IoT applications, the peripheral mix becomes more important. While more standard Bluetooth applications have a reasonably well-defined and stable set of peripherals, for wireless sensor nodes and different controllers there is often a need for different peripherals. The Programmable Peripheral Interconnect (PPI) system in the nRF51822 is a 16-channel bus that supports direct and autonomous connections with system peripherals without needing the CPU. This reduces the latency for communications and makes it more predictable, helping the developer to write more responsive software. This also helps to reduce the power consumption, as the CPU does not need to be powered up. While the chip has two global power modes, each of the peripherals can be switched off independently, again reducing the overall power consumption.
For this nRF51 family of devices, the output power is now scalable from +4 dBm down to -20 dBm in 4 dB steps with sensitivity up to -93 dBm for Bluetooth Smart applications.

Figure 2: The nRF51822 single chip for Bluetooth Smart from Nordic Semiconductor.
One of the key advantages for the nRF51822 is that it offers developers a clean separation between the application code development and the embedded protocol stacks. This means the compile, link, and run-time dependencies with the embedded stack and the associated challenges of debugging are avoided. This is achieved by having the Bluetooth Smart stack supplied as a pre-compiled binary, leaving the application code to be compiled separately and independently while communicating with the stack through an asynchronous, event-driven interface.
While this might give less opportunity for the designer to tweak the stack for a particular application, it provides significant time savings in the development and testing of the application. This also removes the need for a more complex real time operating system framework, which can add to the complexity of the code.
This separation has allowed Nordic to add IPv6 features on top of existing Bluetooth Smart 4.0 hardware through its software development kit. It provides drivers, libraries, examples, and APIs for nRF51 Series devices with an IPv6 over Bluetooth Smart adaptation layer (6LoWPAN) and a complete Internet Protocol Suite. It also provides native IPv6 support to Bluetooth Smart applications, letting them talk directly to cloud services and other connected ‘things’ over IP-based networks.
The development kit enables support for large-scale, distributed, cloud-connected, heterogeneous network deployments relevant to smart home, industrial, and enterprise automation applications, logistics, access control, and cloud services that can be completely agnostic to the technology. This allows ‘headless’ Bluetooth Smart systems that do not have a user interface to easily communicate with each other, and with other IPv6-enabled wired or wireless technologies, such as Wi-Fi, Ethernet, ZigBee IP, and Thread, to form a heterogeneous network.
Rather than using a gateway, the nRF51 IoT SDK extends the IP addressing all the way to the ‘thing’ and thus enabling ‘headless routers’. The first release of the protocol stack includes: Internet Protocol Support Profile (IPSP), 6LoWPAN adaption layer, IPv6 internet routing layer, User Datagram Protocol (UDP) and Transmission Control Protocol (TCP) transport layers, Constrained Application Protocol (CoAP), and Message Queuing Telemetry Transport (MQTT) application layers, plus a range of application examples. These have all been optimized for a small memory footprint on the nRF51822, and the SDK includes examples that configure the device as a Bluetooth Smart 6LoWPAN node, interfacing with the IP layers at transport level such as UDP and TCP, as well as at the application level with CoAP and MQTT.
A system-on-chip (SoC) is not obligatory - with a central processor running the simpler ZigBee or 6LoPAN stacks a standalone transceiver such as Atmel’s AT86RF231 can be used, allowing the designer to implement proprietary algorithms and develop their own protocol implementation.
This is a low-power 2.4 GHz radio transceiver designed for industrial and consumer ZigBee/IEEE 802.15.4, 6LoWPAN, RF4CE and high data rate 2.4 GHz ISM band applications. The radio transceiver is a true SPI-to-antenna solution where all the RF-critical components, except the antenna, crystal and de-coupling capacitors, are integrated on-chip with the analog radio, digital modulation and demodulation including the time and frequency synchronization and data buffering.

Figure 3: The AT86RF231 is a standalone transceiver for the 2.4 GHz band that can be easily interfaced to a central controller in an IoT node.
Modules
Wireless IoT is not just about the 32-bit processors; factors such as the ease of integration into a design can be an issue. In this case a module that integrates the wireless transceiver, a controller and an antenna can save considerable time in development and cost.
The main component of the deRFmega128-22M00 radio modules from Dresden Elektronik is the 8-bit ATmega128RFA1 microcontroller. This is combined with a 2.4 GHz transceiver in a compact module for wireless applications like ZigBee or 6LoWPAN, and complies with the IEEE 802.15.4 standard.
The radio modules are designed as energy-saving end devices for wireless sensor networks. The user can access all-important signals via a total of 51 or 55 solderable LGA pads on a 0.80 mm pitch which are positioned on the bottom of the module. The Type 22M00 has an integrated antenna eliminating the need for additional RF design, minimizing the integration time and BOM costs on customized designs. The Type 22M10 module has RF pads that enable external antenna designs or coaxial sockets for longer range or higher performance applications.
The integrated transceiver has a receiver sensitivity of -100 dBm as well as a 128-bit AES data encryption unit to help secure the link. The 8 MHz MCU clock means the radio modules have a very low current consumption of approximately 18 mA in transmit and in receive mode. Current consumption in sleep mode is less than 1 µA.
For a certified standard such as Bluetooth Smart, modules can provide a simple, drop-in option that is already certified to work.
The BLE113 from Silicon Labs is a Bluetooth Smart module aimed at small, low power sensors in the Internet of Things. It integrates all features required for a Bluetooth Smart application, including the transceiver, software stack and GATT-based profiles, and can support both master and slave modes with up to eight connections.
This has an additional advantage as it can also host end-user applications, meaning for simple applications there is no need for an external microcontroller. This is especially important for designs where the pin count (i.e. the footprint) is limited.
This also takes an 8-bit approach with a programmable 8051-class controller core coupled with flexible hardware interfaces to connect to different peripherals and sensors.

Figure 4: The BLE113 Bluetooth module from Silicon Labs uses an 8-bit controller.
In lowest power sleep mode it consumes just 500 nA and will wake up in a few hundred microseconds, with a transmit current of 18 mA and receive current of 14 mA. This means it can be powered directly from a standard 3 V coin cell battery or pair of AAA batteries for small form-factor designs.
The 9.15 x 15.75 x 2.1 mm module includes a monopole chip antenna where the impedance matching is optimized for a 1 mm – 2 mm motherboard PCB thickness, as the radiation pattern is impacted by the layout of the motherboard.
Conclusion
The Internet of Things is an increasingly important segment of the market with its own specific requirements. Discrete controllers and transceivers can be used for a low cost, tightly integrated design, while 32-bit controller cores are handling both the protocols and the application code in a system-on-chip. Both these approaches are used with modules that provide pre-certified functions and dramatically reduce the time to develop and test a wireless solution for the IoT without compromising on space or performance.
Haftungsausschluss: Die Meinungen, Überzeugungen und Standpunkte der verschiedenen Autoren und/oder Forumsteilnehmer dieser Website spiegeln nicht notwendigerweise die Meinungen, Überzeugungen und Standpunkte der DigiKey oder offiziellen Politik der DigiKey wider.


