Digi-key logo
scheme-it logo
Home
Design
BOM
Logout My Account
What’s New DigiKey Tech Forum Keyboard Shortcuts Contact Us Page Help Page Feedback
Scheme It settings
Auto save
Scheme It
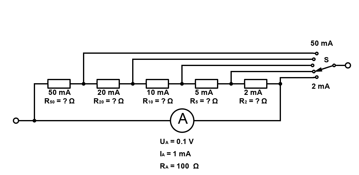
mereni_bocnik_ayrton
mereni_bocnik_ayrton

mereni_bocnik_ayrton

Read more
Open Design

Incorporated Products

IMAGE
MANUFACTURER PART NUMBER
DESCRIPTION
QUANTITY
VIEW DETAILS

No products found in this schematic.

No products found in this schematic.

About this Schematic

Created By
bernkopf
Last Updated
2024-12-19 20:00
What’s New
You are about to delete project

Please type 'DELETE' (without quotes) to the below box to confirm the deletion:

  • Introduction
  • Tutorial Videos
  • Homepage
  • Revision
  • Symbol Editor
  • KiCad Export(beta)
  • Favorite symbols
  • Net
  • Save/Open/Delete Projects
  • Autosave and History
  • Placing Symbols
  • Wiring Symbols
  • Adding/Editing Text
  • Math box
  • Share and Export
  • BOM Manager
  • DigiKey Catalog
  • FAQ
Title